Gummel–Poon model

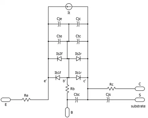
Schematic of Spice Gummel–Poon model NPN

The Gummel–Poon model is a model of the bipolar junction transistor. It was first described in an article published by Hermann Gummel and H. C. Poon at Bell Labs in 1970.[1]

The Gummel–Poon model and modern variants of it are widely used in popular circuit simulators such as SPICE. A significant effect that the Gummel–Poon model accounts for is the variation of the transistor and values with the direct current level. When certain parameters are omitted, the Gummel–Poon model reduces to the simpler Ebers–Moll model.[1]

Model parameters

Spice Gummel–Poon model parameters[2]

# Name Property
modeled
Parameter Units Default
value
1 IS current transport saturation current A 1×10−16
2 BF current ideal max. forward beta 100
3 NF current forward-current emission coefficient 1
4 VAF current forward early voltage V
5 IKF current corner for forward-beta high-current roll-off A
6 ISE current B–E leakage saturation current A 0
7 NE current B–E leakage emission coefficient 1.5
8 BR current ideal max. reverse beta 1
9 NR current reverse-current emission coefficient 1
10 VAR current reverse early voltage V
11 IKR current corner for reverse-beta high-current roll-off A
12 ISC current B–C leakage saturation current A 0
13 NC current B–C leakage emission coefficient 2
14 RB resistance zero-bias base resistance Ω 0
15 IRB resistance current where base resistance falls half-way to its minimum A
16 RBM resistance minimum base resistance at high currents Ω RB
17 RE resistance emitter resistance Ω 0
18 RC resistance collector resistance Ω 0
19 CJE capacitance B–E zero-bias depletion capacitance F 0
20 VJE capacitance B–E built-in potential V 0.75
21 MJE capacitance B–E junction exponential factor 0.33
22 TF capacitance ideal forward transit time s 0
23 XTF capacitance coefficient for bias dependence of TF 0
24 VTF capacitance voltage describing VBC dependence of TF V
25 ITF capacitance high-current parameter for effect on TF A 0
26 PTF excess phase at frequency = 1/(2π TF) ° 0
27 CJC capacitance B–C zero-bias depletion capacitance F 0
28 VJC capacitance B–C built-in potential V 0.75
29 MJC capacitance B–C junction exponential factor 0.33
30 XCJC capacitance fraction of B–C depletion capacitance connected to internal base node 1
31 TR capacitance ideal reverse transit time s 0
32 CJS capacitance zero-bias collector–substrate capacitance F 0
33 VJS capacitance substrate–junction built-in potential V 0.75
34 MJS capacitance substrate–junction exponential factor 0
35 XTB forward- and reverse-beta temperature exponent 0
36 EG energy gap for temperature effect of IS eV 1.1
37 XTI temperature exponent for effect of IS 3
38 KF flicker-noise coefficient 0
39 AF flicker-noise exponent 1
40 FC coefficient for forward-bias depletion capacitance formula 0.5
41 TNOM parameter measurement temperature °C 27

See also

References

  1. ^ a b H. K. Gummel and H. C. Poon, "An integral charge control model of bipolar transistors", Bell Syst. Tech. J., vol. 49, pp. 827–852, May–June 1970.
  2. ^ Summary of model with schematics and equations.